产品名称
半导体150温控平台
产品型号:TLT012
产品简介
本系列的半导体温控平台是专门为激光器件、医疗器件、半导体器件、红外探测器、光电倍增管、或其它任何需要温度控制IC等产品定制开发,其特点是高精度和高稳定度。半导体制冷是利用帕尔帖效应原理工作的,具有高精度、长寿命、体积小、无噪声、无磨损、无振动、无污染、既可制冷又可加热等优点,是真正的绿色产品。整机配置完善、性能稳定、性价比高,在国内外同类产品中处于先进地位。非常适合对温度的精度和稳定度要求较高的各类厂家、公司、大学、科研机构、个人等使用。
应用方向
- 半导体激光器、晶体温度控制、固体温度控制
- 实验、科研温度控制
- 高低温实验等
- 液体 控温(特殊定制)
- 非标定制
产品选型表

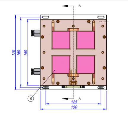
产品尺寸



